


一、DMF-Y-50S型淹沒式電磁脈沖閥技術指標
產品名稱 | DMF-Y-50S型淹沒式電磁脈沖閥 | ||
工作壓力 | 0.1~0.8Mpa(推薦0.2~0.6Mpa) | ||
工作介質 | 清潔空氣 | ||
電壓 | DC24V | AC110V | AC220V |
電流 | 0.8A | 0.46A | 0.23A |
溫度等級
| 1 | - | 3 |
-25℃~~80℃ | - | -25℃~~230℃ | |
-13°F~~176°F | - | -13°F~~446°F | |
空氣相對濕度 | ≤85% | ||
防護等級 | IP65 | ||
膜片壽命 | 噴吹100萬次或三年 | ||


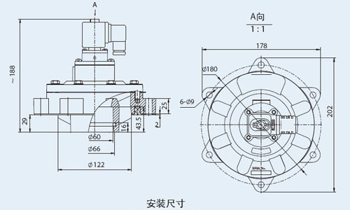
三、DMF-Y-50S型淹沒式電磁脈沖閥安裝方法
1、DMF-Y-50S型淹沒式電磁脈沖閥的閥體,是把連接管先固定在分氣箱上,再把閥體套在連接管上(適當潤滑),然后用螺栓固定在分氣箱上。為了方便安裝,我公司專門生產配套的連接管,用鋁合金壓鑄而成,具有密封性好,安裝便捷等特點。連接管出口為滑動式。
2、DMF-Y-50S型淹沒式電磁脈沖閥在安裝時所有的O型密封圈都要涂上合適的潤滑劑
3、所有Y型閥的裝配方式都配有密封墊,特別是“浮動”密封墊利用分氣箱內的空氣壓力固定在分氣箱表面。
4、DMF-Y-50S型淹沒式電磁脈沖閥應與脈沖噴吹控制儀配套使用。淹沒式電磁脈沖閥線圈上共有三個插腳,并配有專用插頭,其中一個有" "符號的為接地插腳,用戶可根據需要決定是否接地。(一般情況下,電壓小于36V時可不接地,大于36V時_應接地。)另二個為線圈電源插腳,分別與脈沖噴吹控制儀對應順序的端子和閥用公共線的端子相連接。
5、淹沒式電磁脈沖閥在安裝時可采用3/4 "或1"電線管側面打孔(打孔數與電磁脈沖閥只數相同),穿以0.3mm2~0.5mm2銅導線,使電磁脈沖閥與脈沖噴吹控制儀保持良好的電氣連接,其噴吹寬度和間隔均由脈沖噴吹控制儀設定。
6、除塵器分氣箱(包括接管)由用戶自定,分氣箱容量應滿足提供電磁脈沖閥工作穩定的氣源,分氣箱內壁應清潔無鐵銹等雜物,分氣箱無泄漏,并符合有關安全的各項要求。
7、淹沒式電磁脈沖閥與氣包及噴吹連接管的密封件適用溫度為-25℃~90℃。如需高溫密封件,請訂購時另行注明。


冀公網安備 13098102000349號