


|
型 號
|
DMC-32
|
DMC-48
|
DMC-64
|
DMC-80
|
DMC-96
|
DMC-112
|
|
|
技術參數
|
|||||||
|
處理風量(m3/h)
|
1500-2100
|
2100-3200
|
2900-4300
|
4000-6000
|
5200-7000
|
6000-9000
|
|
|
總過濾面積(m2)
|
24
|
36
|
48
|
60
|
72
|
84
|
|
|
過濾風速(m/min)
|
1.0-1.5
|
1.0-1.5
|
1.0-1.7
|
1.2-1.7
|
1.2-1.7
|
1.2-1.8
|
|
|
濾袋數量(條)
|
32
|
48
|
64
|
80
|
96
|
112
|
|
|
設備阻力(Pa)
|
≤1200
|
||||||
|
入口粉塵濃度
(g/m3) |
<200
|
||||||
|
出口排放濃度(mg/m3)
|
≤50
|
||||||
|
重量
(kg) |
A型(帶灰斗)
|
1350
|
1620
|
1850
|
2360
|
2800
|
3200
|
|
B型(不帶灰斗)
|
1220
|
1470
|
1670
|
2150
|
2540
|
2880
|
|
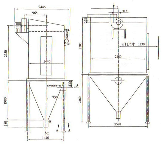
| DMC(A)-112脈沖除塵器圖 |
|
|
|

冀公網安備 13098102000349號