CCJ/A型
沖激式除塵器
本公司生產的CCJ/A型除塵機組是根據鞍山礦山設計院編制,并經_建委建筑科學研究院審查通過的Ct534圖冊進行生產的。
CCJ/A-10-1除塵機組型號說明:
本機組適應范圍廣,可用于凈化非纖維性,無腐蝕性的濁度不高于300℃的含塵氣體。適用于冶金、煤炭、化工、鑄造、發電、建筑材料及耐火材料等多種企業。在用于具有粘性的生石灰運輸系統中的除塵亦能獲取很好的效果,這是該機組又一突出優點。
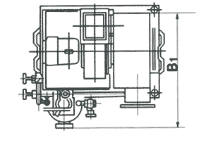
CCJ/A除塵器工作原理:
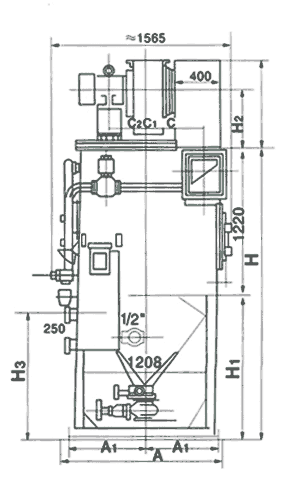
如圖所示

,含塵氣體由通風機吸入除塵器入口,氣流轉彎向下沖擊于水面,部份較大的塵粒灌入水中。當含塵氣體以18~35米/秒的速度通過上、下葉片間的“S”形通道時,激起大量的水花,與水氣充分接觸,絕大部份微細的塵粒混凝土入水中,使含塵氣體得以充分的凈化。經由“S”形通道后,由于離心力的作用,獲得塵粒的水又回漏斗。凈化后的他體由分霧室外擋水板除掉水滴后經凈氣出口和通風機排出除塵機組,泥漿則由漏斗的排漿閥定期排出。新水則由供水管路補充。機組內的水位由溢流箱控制,當水位高出溢流堰時,水便流進水封并由溢流管排出。抽在溢流箱上的水位自動控制裝置能_水面在3-5毫米的范圍內變動,從而_機組穩定的_率和節約用水。溢流箱上部用通氣管與凈氣分霧室連通,使兩者具有相同高度的水面。溢流箱的水是通過插入除塵器下部連通的,以保持溢流箱水面平穩。